Ch 5. Annotation

Pages List
List view
Home
Portfolio
HW
FW
SW
FPGA / Adaptive SoC
Daily
Photo
Etc
 
Ch 5. Annotation

Annotation


Annotation하는 방법을 알아보자.

 
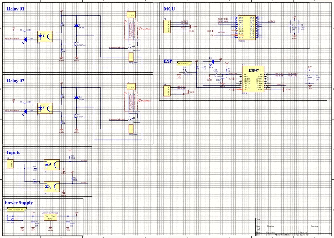
다음 그림과 같이 회로도 작성이 완료되면, Annotation을 해야 한다.
notion image
 
  1. “Tools → Annotation → Annotate Schematics...”
notion image
 
  1. Annotation 방향 등의 규칙들을 설정하고, 하단의 ‘Update Changes List’를 클릭한다.
notion image
 
  1. 그러면 Proposed 탭에 Altium이 제안하는 각 Part의 Designator가 나타난다.
notion image
 
  1. ‘Accept Changes (Create ECO)’를 누르면, 다음 그림과 같이 모든 Part들의 Annotation 전 후의 Designator 번호가 나타난다.
notion image
 
  1. ‘Validate Changes’와 ‘Execute Changes’를 누르면, 다음 그림과 같이 Annotation이 완료(Done)되었다고 나타나고,
notion image
 
회로도에서도 각 Part에 Part Reference Number가 할당되었음을 확인할 수 있다.
notion image
 
ps. 만약, 일반적인 규칙으로 빠르게 Annotation을 하고 싶으면, “Tools → Annotation → Annotate Schematics Quitely”로 진행하면 된다.
notion image